不锈钢材料,三梁结构,焊接密封,压向承载。
防护等级IP68
适用于电子计价秤、电子台秤、包装秤及各类电子称重设备。
最大秤台尺寸:600x600mm
推荐选择型号:
| xxkg | C3 | BM6E-C3-xxkg-2B |
| xxkg | C3 | BM6E-C3-xxkg-2B-S1 |
| "S1"表示输出灵敏度为2.0±0.002mv/v | ||
技术指标
| 额定载荷 | kg | 30/50/200/300 |
| 精度 | C3 | |
| 最大检定分度数 | n max | 3000 |
| 最小检定分度值 | v min | Emax/10000 |
| 综合误差 | (%FS) | ≤±0.020 |
| 蠕变 | (%FS/30min) | ≤±0.016 |
| 温度对输出灵敏度的影响 | (%FS/10℃) | ≤±0.011 |
| 温度对零点输出的影响 | (%FS/10℃) | ≤±0.015 |
| 输出灵敏度 (注1) | (mv/v) | 2.0±0.2/2.0±0.002 |
| 输入阻抗 | (Ω) | 385±5.0 |
| 输出阻抗 | (Ω) | 351±2.0 |
| 绝缘阻抗 | (MΩ) | ≥ 5000(50VDC) |
| 零点输出 | (%FS) | ≤±1.5 |
| 温度补偿范围 | (℃) | -10~+40 |
| 允许使用温度范围 | (℃) | -35~+70 |
| 推荐激励电压 | (V) | 5-12(DC) |
| 最大激励电压 | (V) | 18(DC) |
| 安全过载范围 | (%FS) | 150 |
| 极限过载范围 | (%FS) | 300 |
| 四角误差 | 0.02%加载值/100mm | |
| 推荐安装扭矩 | N.m | 10 |
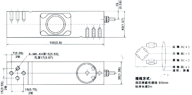
外型尺寸mm(inch)

服务热线:400-1010-998
您现在的位置:
