合金钢材料,单剪切梁结构。
防护等级IP68
适用于电子平台秤、料斗秤等各类电子称重设备。
推荐选择型号:
| 1.0t-30t | C3 | HM8-C3-xxt-6B6 |
技术指标
| 额定载荷 | t | 1/2/2.5/3/5/10/15/20/25/30 |
| 精度 | C3 | |
| 最大检定分度数 | n max | 3000 |
| 最小检定分度值 | v min | Emax/10000 |
| 综合误差 | (%FS) | ≤±0.020 |
| 蠕变 | (%FS/30min) | ≤±0.016 |
| 温度对输出灵敏度的影响 | (%FS/10℃) | ≤±0.011 |
| 温度对零点输出的影响 | (%FS/10℃) | ≤±0.015 |
| 输出灵敏度 | (mv/v) | 2.0±0.002 |
输入阻抗 | (Ω) | 400±10 |
| 输出阻抗 | (Ω) | 351±2 |
| 绝缘阻抗 | (MΩ) | ≥5000(100VDC) |
| 零点输出 | (%FS) | ≤±1.0 |
| 温度补偿范围 | (℃) | -10~+40 |
| 允许使用温度范围 | (℃) | -35~+65 |
| 推荐激励电压 | (V) | 5~12(DC) |
| 最大激励电压 | (V) | 18(DC) |
| 安全过载范围 | (%FS) | 150 |
| 极限过载范围 | (%FS) | 300 |
| ATEX等级 | II 1G Ex ia II 1C T4 II 1D Ex iaD20 T73℃ II 3G Ex nL II C T4 |
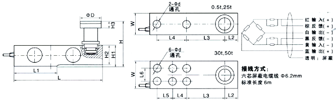
外形尺寸mm(inch)

| 尺寸 | H | H1 | H2 | H3 | D | d | W |
| 1~2t | 57.9 (2.28) | 43 (1.69) | 37 (1.47) | 5 (0.2) | 35 (1.38) | 13 (0.51) | 37 (1.47) |
| 2.5t | 57.9 (2.28) | 43 (1.69) | 37 (1.47) | 5 (0.2) | 35 (1.38) | 15 (0.59) | 37 (1.47) |
| 3t | 62.9 (2.48) | 43 (1.69) | 37 (1.47) | 5 (0.2) | 35 (1.38) | 15 (0.59) | 37 (1.47) |
| 5t | 78.7 (3.1) | 52 (2.05) | 48 (1.89) | 8 (0.31) | 42 (1.65) | 21 (0.83) | 48 (1.89) |
| 10t,15t | 127.7 (5.03) | 67 (2.64) | 60 (2.36) | 12 (0.47) | 57 (2.24) | 28 (1.10) | 60 (2.36) |
| 20t,25t | 143.5 (5.65) | 82.5 (3.25) | 70 (2.76) | 12 (0.47) | 70 (2.76) | 34 (1.34) | 70 (2.76) |
| 30t | 174 (6.85) | 115 (4.53) | 90 (3.54) | 18 (0.71) | 70 (2.76) | 26 (1.02) | 96 (3.78) |
| 尺寸 | L | L1 | L2 | L3 | L4 | L5 | L6 |
| 1~2t | 203 (7.99) | 95 (3.74) | 22 (0.87) | 98 (3.86) | 64 (2.52) | / | / |
| 2.5t | 203 (7.99) | 95 (3.74) | 22 (0.87) | 98 (3.86) | 64 (2.52) | / | / |
| 3t | 203 (7.99) | 95 (3.74) | 22 (0.87) | 98 (3.86) | 64 (2.52) | / | / |
| 5t | 235 (9.25) | 110 (4.33) | 22 (0.87) | 124 (4.88) | 66 (2.6) | / | / |
| 10t,15t | 279 (10.98) | 133 (5.24) | 32 (1.26) | 140 (5.51) | 82 (3.23) | / | / |
| 20t,25t | 318 (12.52) | 153 (6.02) | 38 (1.5) | 159 (6.26) | 89 (3.5) | / | / |
| 30t | 374 (14.72) | 189 (7.44) | 44.5 (1.75) | 181 (7.13) | 76 (2.99) | 46 (1.81) | 46 (1.81) |
服务热线:400-1010-998
您现在的位置:
