不锈钢材质,双剪切梁结构,胶密,压向承载。
防护等级IP67
适用于电子汽车衡、料斗秤、轨道衡及各类电子称重设备。
推荐选择型号
| xxklb | C3 | B9F-N10-xxK-9B |
技术指标
| 额定载荷 | klb | 10/15/20/25/30/40/50/60/75 |
| 精度 | C3 | |
| 最大检定分度数 | n max | 3000 |
| 最小检定分度值 | v min | Emax/10000 |
| 综合误差 | (%FS) | ≤±0.020 |
| 蠕变 | (%FS/30min) | ≤±0.016 |
| 温度对输出灵敏度的影响 | (%FS/10℃) | ≤±0.011 |
| 温度对零点输出的影响 | (%FS/10℃) | ≤±0.015 |
| 输出灵敏度 | (mv/v) | 3.0±0.003 |
| 输入阻抗 | (Ω) | 700±7 |
| 输出阻抗 | (Ω) | 703±4 |
| 绝缘阻抗 | (MΩ) | ≥5000(50VDC) |
| 零点输出 | (%FS) | ≤±1.0 |
| 温度补偿范围 | (℃) | -10~+40 |
| 允许使用温度范围 | (℃) | -35~+70 |
| 推荐激励电压 | (V) | 5~12(DC) |
| 最大激励电压 | (V) | 18(DC) |
| 安全过载范围 | (%FS) | 150 |
| 极限过载范围 | (%FS) | 300 |
| ATEX等级(可选) | II 1G Ex ia II 1C T4 II 1D Ex iaD20 T73℃ II 3G Ex nL II C T4 |
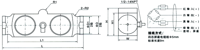
外型尺寸mm(inch)

服务热线:400-1010-998
您现在的位置:
