专利结构,抗倾倒能力强;
模块化设计,安装方便,自复位能力强;
可有效解决秤体热胀冷缩带来的称量问题;
不锈钢材料,耐腐耐油、防水防砂防冰冻;
稳定、可靠,高度低,安全过载能力高;
全焊接组合式密封,防护等级IP68;
技术指标
| 额定载荷 | t | 10,20,30,40, 50,60,75,100 | 精度 | OIML R60 C3 | |
| 最大检定分度数 | n max | 3000 | 最小检定分度值 | V min | Emax/7500 |
| 额定输出 | Counts | 1000000 | 蠕变 | %FS/30min | ≤±0.016 |
| 温度对输出灵敏度的影响 | %FS/10℃ | ≤±0.011 | 激励电压 | V DC | 5.4~15 |
| 温度对零点输出的影响 | %FS/10℃ | ≤±0.019 | 通讯接口 | RS485/4线制 | |
| 总线地址数 | 最大32 | 通讯波特率 | Bps | 9600 | |
| 温度补偿范围 | ℃ | -10~+40 | 允许温度使用范围 | ℃ | -20~+60 |
| 安全过载范围 | %FS | 150 | 防护等级 | IP68 | |
| 极限过载范围 | %FS | 300 | 电缆线长度 | m | 15,六芯屏蔽电缆ф6.2 |
接线图

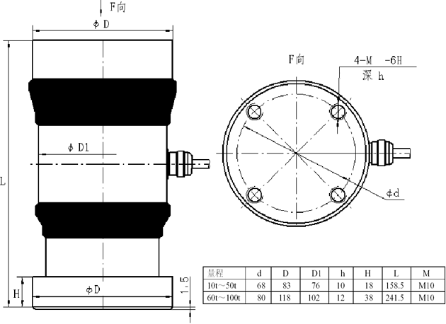
外形尺寸mm

服务热线:400-1010-998
您现在的位置:
