L6F称重传感器可满足50kg-2000kg 量程范围内的精确测量。
硅橡胶密封,表面阳极化,防腐性能佳。
适用于电子计价秤、电子平台秤等各类电子称重设备
推荐选择型号:
| 50kg-2000kg | C3 | L6F-C3-xxkg-3B6 |
技术指标
| 额定载荷 | kg | 50/100/150/200/250/500/750/1000/2000 | |
| 输出灵敏度 | mv/v | 2.0±0.2 | |
| 精度 | C3 | ||
| 综合误差 | %FS | ±0.02 | |
| 蠕变/回零 | %FS/2min | ±0.0167 | |
| 温度对输出灵敏度影响 | %FS/10℃ | ±0.0175 | |
| 温度对零点输出影响 | %FS/10℃ | ±0.02 | |
| 零点输出 | %FS | ±2 | |
| 温度补偿范围 | ℃ | -10~+40 | |
| 允许使用温度范围 | ℃ | -35~+65 | |
| 输入阻抗 | Ω | 406±6 | |
| 输出阻抗 | Ω | 350±3 | |
| 绝缘阻抗 | MΩ | ≥5000(50VDC) | |
| 推荐激励电压 | V | 5~12(DC) | |
| 最大激励电压 | V | 18(DC) | |
| 安全过载范围 | %FS | 120 | |
| 极限过载范围 | %FS | 150 | |
| 防护等级 | IP65 | ||
| 电缆线规格 | mm | 6.2 | |
| 电缆线长度 | m | 3 | |
| 推荐秤台尺寸 | mm | 50kg-200kg | 600x600 |
| 250kg-500kg | 600x800 | ||
| 750kg-2000kg | 1200x1200 | ||
| 四角误差 | 0.02%加载值/100mm | ||
| 推荐安装扭矩 | N.m | M12(50-500kg) | 100 |
| M16(750-2000kg) | 160 | ||
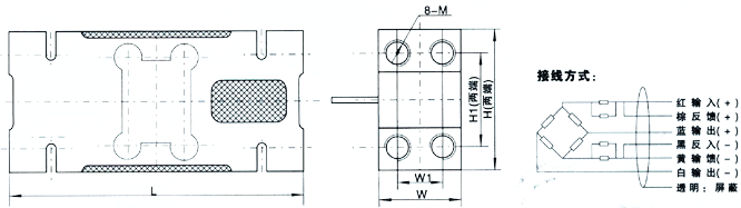
外型尺寸 mm(inch)

| 量程 | H | H1 | L | W | W1 | M |
| 50~200kg,250kgSE | 75(2.95) | 50(1.97) | 156(6.14) | 44(1.73) | 24(0.94) | M12-7H 深20(0.79) |
| 250~500kg,750kgSE | 95(3.74) | 70(2.76) | 146(5.75) | 60(2.36) | 36(1.42) | M12-7H 深18(0.71) |
| 750~2000kg | 125(4.92) | 95(3.74) | 176(6.93) | 76(2.99) | 46(1.81) | M16-7H 深29(1.14) |
服务热线:400-1010-998
您现在的位置:
