不锈钢材料,三梁结构,胶密,压向承载。
防护等级IP67
适用于电子计价秤、电子台秤、皮带秤及各类电子称重设备。
推荐选择型号:
| xxkg | C3/C4 | B6N-xx-xxkg-1YB6 |
| xxkg | C3/C4 | B6N-xx-xxkg-1B6 |
| 50kg-200kg通过OIML C3级认证 7kg-35kg通过OIML C4级认证 "Y"表示英制螺纹 | ||
技术指标
| 额定载荷 | kg | 5/7/8/10/15/20/30/50/75/100/150/200 | |
| 精度 | C3 | C4 | |
| 认证 | OIML R60 C3 | OIML R60 C4 | |
| 最大检定分度数 | n max | 3000 | 4000 |
| 最小检定分度值 | v min | Emax/10000 | Emax/14000 |
| 综合误差 | (%FS) | ≤±0.020 | ≤±0.018 |
| 蠕变 | (%FS/30min) | ≤±0.016 | ≤±0.012 |
| 温度对输出灵敏度的影响 | (%FS/10℃) | ≤±0.011 | ≤±0.009 |
| 温度对零点输出的影响 | (%FS/10℃) | ≤±0.015 | ≤±0.010 |
| 输出灵敏度 | (mv/v) | 2.0±0.002 | |
| 输入阻抗 | (Ω) | 384±4 | |
| 输出阻抗 | (Ω) | 351±2 | |
| 绝缘阻抗 | (MΩ) | ≥5000(50VDC) | |
| 零点输出 | (%FS) | ≤±1.5 | |
| 温度补偿范围 | (℃) | -10~+40 | |
| 允许使用温度范围 | (℃) | -35~+70 | |
| 推荐激励电压 | (V) | 5~12(DC) | |
| 最大激励电压 | (V) | 18(DC) | |
| 安全过载范围 | (%FS) | 150 | |
| 极限过载范围 | (%FS) | 300 | |
| 死角误差 | 0.02%加载值/100mm | ||
| 推荐安装扭矩 | N.m | 10 | |
| ATEX等级(可选) | II 1G Ex ia II 1C T4 II 1D Ex iaD20 T73℃ II 3G Ex nL II C T4 | ||
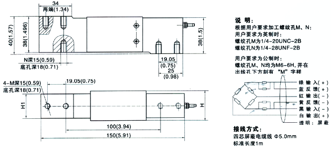
外形尺寸mm(inch)

服务热线:400-1010-998
您现在的位置:
