不锈钢材料(B9D);合金钢材料,镀镍(H9D);双剪梁结构,胶密,压向承载。
防护等级IP67
适用于电子汽车衡、轨道衡、料斗秤及各类电子称重设备。
推荐选择型号:
| xxklb | C3 | B9D-C3-xxk-9B |
| xxklb | C3/C4/C5/A5M/B10M | H9D-xx-xxk-9B |
| 1.8t-7.5t(4klb-15klb)通过德国PTB C4级认证 9t-35t(19.8klb-70klb)通过德国PTB C5级认证 20klb-75klb通过NTEP A5M/B10M级认证 | ||
技术指标
| 额定载荷 | t | 1/1.5/2/2.5/4/5/10/15/20/25/35/50/75 | |||
| 精度 | C3 | C4 | A5M | B10M | |
| 认证 | OIML R60 C4 | III 5000多只 | III 10000多只 | ||
| 最大检定分度数 | n max | 3000 | 4000 | 5000 | 10000 |
| 最小检定分度值 | v min | Emax/10000 | Emax/14000 | Emax/15000 | Emax/10000 |
| 综合误差 | (%FS) | ≤±0.020 | ≤±0.018 | ≤±0.026 | ≤±0.050 |
| 蠕变 | (%FS/30min) | ≤±0.016 | ≤±0.012 | ≤±0.017 | ≤±0.040 |
| 温度对输出灵敏度的影响 | (%FS/10℃) | ≤±0.011 | ≤±0.009 | ≤±0.013 | ≤±0.040 |
| 温度对零点输出的影响 | (%FS/10℃) | ≤±0.015 | ≤±0.010 | ≤±0.014 | ≤±0.020 |
| 输出灵敏度 | (mv/v) | 3.0±0.008 | |||
| 输入阻抗 | (Ω) | 700±7 | |||
| 输出阻抗 | (Ω) | 703±4 | |||
| 绝缘阻抗 | (MΩ) | ≥5000(50VDC) | |||
| 零点输出 | (%FS) | ≤±1.0 | |||
| 温度补偿范围 | (℃) | -10~+40 | |||
| 允许使用温度范围 | (℃) | -35~+70 | |||
| 推荐激励电压 | (V) | 5~12(DC) | |||
| 最大激励电压 | (V) | 18(DC) | |||
| 安全过载范围 | (%FS) | 150 | |||
| 极限过载范围 | (%FS) | 300 | |||
| ATEX等级(可选) | II 1G Ex ia II 1C T4 II 1D Ex iaD20 T73℃ II 3G Ex nL II C T4 | ||||
| 注:B9D无OIML/NTEP认证. | |||||
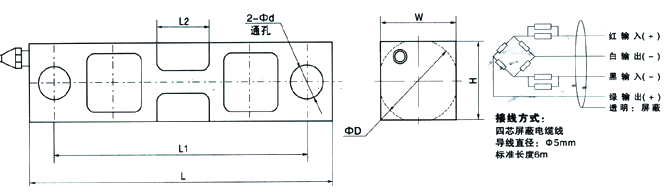
外形尺寸mm(inch)

| 量程(Klb) | L | L1 | L2 | D | d | H | W |
| 1~5 | 190.5(7.5) | 158.75(6.25) | 30.48(1.2) | 31.5(1.24) | 12.7(0.5) | 31(1.22) | 31(1.22) |
| 10~35 | 222.25(8.75) | 190.5(7.5) | 41.15(1.62) | 50.8(2.0) | 20.6(0.81) | 49.2(1.94) | 36.5(1.44) |
| 50~75 | 342.9(13.5) | 292.1(11.5) | 82.55(3.25) | 76(2.99) | 33.3(1.31) | 74.7(2.94) | 62(2.44) |
服务热线:400-1010-998
您现在的位置:
