不锈钢材料,单柱式结构,焊接密封,压向承载。
防护等级IP68
防雷击可达一万伏,适用于汽车衡、平台秤、料斗秤及各类电子称重设备。
推荐选择型号:
| xxt | C3/A5M/B10M | BM14K-xx-xxt-xB6 |
| 10t-100t通过德国PTB C3级测试 10t-100t通过NTEP A5M/B10M级认证。 | ||
技术指标
| 额定载荷 | t | 10/15/20/30/40/50/60/100 | |||
| 精度 | C3 | C4 | B10M | A5M | |
| 认证 | OIML R60 C3 | IIIL 10000多只 | III 5000多只 | ||
| 最大检定分度数 | n max | 3000 | 4000 | 10000 | 5000 |
| 最小检定分度值 | v min | Emax/10000 | Emax/14000 | Emax/10000 | Emax/15000 |
| 综合误差 | (%FS) | ≤±0.020 | ≤±0.018 | ≤±0.05 | ≤±0.026 |
| 蠕变 | (%FS/30min) | ≤±0.016 | ≤±0.012 | ≤±0.04 | ≤±0.017 |
| 温度对输出灵敏度的影响 | (%FS/10℃) | ≤±0.011 | ≤±0.009 | ≤±0.04 | ≤±0.013 |
| 温度对零点输出的影响 | (%FS/10 ℃) | ≤±0.015 | ≤±0.010 | ≤±0.02 | ≤±0.014 |
| 输出灵敏度 | (mv/v) | 2.0±0.002 | |||
| 输入阻抗 | (Ω) | 700±7 | |||
| 输出阻抗 | (Ω) | 703±4 | |||
| 绝缘阻抗 | (MΩ) | ≥5000(50VDC) | |||
| 零点输出 | (%FS) | ≤±1.0 | |||
| 温度补偿范围 | (℃) | -10~+40 | |||
| 允许使用温度范围 | (℃) | -35~+70 | |||
| 推荐激励电压 | (V) | 5~12(DC) | |||
| 最大激励电压 | (V) | 18(DC) | |||
| 安全过载范围 | (%FS) | 150 | |||
| 极限过载范围 | (%FS) | 300 | |||
| ATEX等级(可选) | II 1G Ex ia II 1C T4 | II 1D Ex iaD20 T73℃ | II 3G Ex nL II C T4 | ||
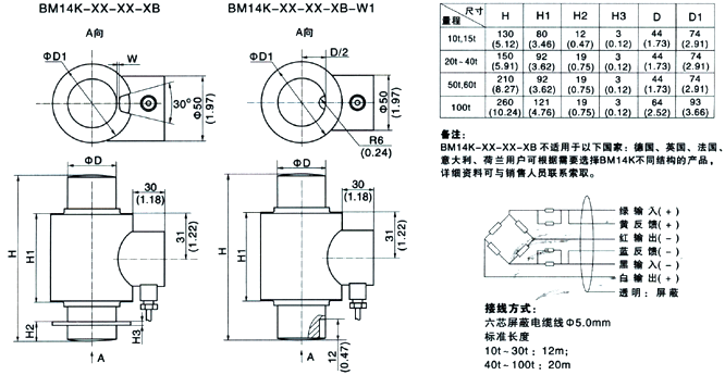
外形尺寸mm(inch)

| 量程(t) | H | H1 | H2 | H3 | D | D1 |
| 10,15 | 130(5.12) | 80(3.15) | 12(0.74) | 3(0.12) | 44(1.73) | 74(2.91) |
| 20~40 | 150(5.91) | 92(3.62) | 19(0.75) | 5(0.2) | 44(1.73) | 74(2.91) |
| 50,60 | 210(8.27) | 92(3.62) | 19(0.75) | 5(0.2) | 44(1.73) | 74(2.91) |
| 100 | 260(10.24) | 121(4.71) | 19(0.75) | 5(0.2) | 64(2.52) | 93(3.66) |
服务热线:400-1010-998
您现在的位置:
