欢迎来到广州市怡华新电子仪器有限公司!

中文版 ENGLISH

服务热线:400-1010-998

您现在的位置:首页 > 商品中心 > 仪表仪器配件 > 传感器 > 中航电测传感器BM6G

产品名称:中航电测传感器BM6G

中航电测传感器BM6G
  • 中航电测传感器BM6G
  • 所属分类:传感器
  • 品 牌:
  • 型 号:BM6G
  • 产品简介:

    不锈钢材质,三梁结构,焊接密封,压向承载。 适用于电子计价秤、电子台秤、皮带秤及各类电子称重设备。 最大秤台尺寸: 400x400mm(10kg-50kg) 800x800mm(100kg-500kg)

  • 下载附件 在线反馈
  • 上一页:中航电测传感器L6E(C4/C5级)

    下一页:中航电测称重传感器L6D15

  • 产品介绍
  • 详细参数
  • 选配附件
  • 不锈钢材质,三梁结构,焊接密封,压向承载。

    适用于电子计价秤、电子台秤、皮带秤及各类电子称重设备。 

    最大秤台尺寸:

    400x400mm(10kg-50kg)

    800x800mm(100kg-500kg)


    推荐选择型号:

    xxkgC3/C3MR/C4MR/A6S/A6M/B10S/B10MBM6G-xx-xxkg-3B
    xxkgC3/C3MR/C4MR/A6S/A6M/B10S/B10MBM6G-xx-xxkg-3B-S1
    20kg-500kg通过OIML C5级认证及NTEP A6S/A6M/B10S/B10M级认证

    10kg-500kg通过OIML C3/C3MR级认证

    10kg-50kg通过OIML C4MR级认证 


    技术指标

    额定载荷kg10/20/50/60/75/100/150/200/300/400/500/600
    精度
    C3C4A6MA6S
    最大检定分度数n max30004000

    最小检定分度值v minEmax/10000Emax/15000Emax/15000Emax/20000
    综合误差(%FS)≤±0.0200≤±0.0173≤±0.0113≤±0.009
    蠕变(%FS/30min)≤±0.0245≤±0.0184≤±0.0184≤±0.008
    温度对输出灵敏度的影响(%FS/10℃)≤±0.0117≤±0.0088≤±0.0088≤±0.006
    温度对零点输出的影响(%FS/10℃)≤±0.0140≤±0.0093≤±0.0093≤±0.007
    输出灵敏度(mv/v)2.0±0.2
    输入阻抗(Ω)10kg/20kg/50kgSE/75kgSE/100kgSE50kg-600kg
    380±15350±3.5
    输出阻抗(Ω)350±3.5
    绝缘阻抗(MΩ)≥5000(50VDC)
    零点输出(%FS)≤±2.0
    温度补偿范围(℃)-10~+40
    允许使用温度范围(℃)-35~+70
    推荐激励电压(V)5~12(DC)
    最大激励电压(V)18(DC)
    安全过载范围(%FS)150
    极限过载范围(%FS)300
    推荐安装扭矩Nm10kg/20kg/50kgSE/75kgSE/100kgSE:1050kg-600kg:20
    防护等级
    IP68/IP69K
    ATEX等级(可选)II 1G Ex ia II 1C T4II 1D Ex iaD20 T73℃II3G Ex nL II C T4


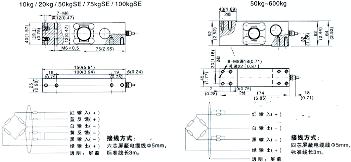
    外型尺寸mm(inch)

    标签:传感器  电子称  电子天平

  • 您的姓名:
  • 联系电话:
  • 电子邮箱:
  • 验证码

附件列表: