不锈钢材料,四柱式结构,焊接密封,压向承载。
防护等级IP68
防雷击可达一万伏,适用于试验机、平台秤、料斗秤及各类电子称重设备。
推荐选择型号:
| xxt | C3 | BM14A-C3-xxt-xB-SC |
| xxklb | C3 | BM14A-C3-xxK-9YB |
| 10t-100t通过德国PTB C3级测试 | ||
技术指标
| 额定载荷 | t | 5/10/25/40/60/100 |
| klb | 10/25/50/100/200/300/500 | |
| 精度 | C3 | |
| 认证 | OIML R60 C3 | |
| 最大检定分度数 | n max | 3000 |
| 最小检定分度值 | v min | Emax/10000 |
| 综合误差 | (%FS) | ≤±0.020 |
| 蠕变 | (%FS/30min) | ≤±0.016 |
| 温度对输出灵敏度的影响 | (%FS/10℃) | ≤±0.011 |
| 温度对零点输出的影响 | (%FS/10℃) | ≤±0.015 |
| 输出灵敏度 | (mv/v) | 2.0±0.002 |
| 输入阻抗 | (Ω) | 450±4.5 |
| 输出阻抗 | (Ω) | 480±4.8 |
| 绝缘阻抗 | (MΩ) | ≥5000(50VDC) |
| 零点输出 | (%FS) | ≤±1.0 |
| 温度补偿范围 | (℃) | -35~+70 |
| 推荐激励电压 | (V) | 5~12(DC) |
| 最大激励电压 | (V) | 18(DC) |
| 安全过载范围 | (%FS) | 150 |
| 极限过载范围 | (%FS) | 300 |
| ATEX等级(可选) | II 1G Ex ia II 1C T4 | II 1D Ex iaD20 T73℃ |
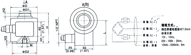
外形尺寸mm(inch)

| 量程t(Klb) | D | D1 | D2 | H | H1 | H2 | H3 | L | M |
| 10t,25t | 73 (2.9) | 32 (1.3) | 58 (2.3) | 82.5 (3.3) | 13 (0.5) | 8 (0.31) | 2 (0.10) | 64 (2.52) | M12×1.75 |
| 40t,60t | 105 (4.1) | 59 (2.3) | 83 (3.3) | 127.0 (5.0) | 33 (1.3) | 9 (0.4) | 12 (0.5) | 87 (3.4) | M20×2.5 |
| 100t | 152 (6.0) | 80 (3.1) | 124 (4.9) | 184 (7.2) | 70 (2.8) | 23 (0.9) | 22 (0.9) | 109 (4.3) | M20×2.5 |
| 10k,25k,50k | 73 (2.9) | 32 (1.3) | 58 (2.3) | 82.5 (3.3) | 12.5 (0.5) | 8 (0.31) | 2 (0.10) | 64 (2.52) | 1/2-20UNF |
| 100k | 105 (4.1) | 59 (2.3) | 83 (3.3) | 127.0 (5.0) | 33 (1.3) | 9 (0.4) | 12 (0.5) | 87 (3.4) | 3/4-16UNF |
| 200k,300k | 152 (6.0) | 80 (3.1) | 124 (4.9) | 184 (7.2) | 70 (2.8) | 23 (0.9) | 22 (0.9) | 109 (4.3) | 3/4-16UNF |
| 500k | 163 (6.4) | 94 (3.7) | 136 (5.4) | 229 (9) | 91 (3.60) | 11 (0.4) | 25 (1.0) | 123 (4.84) | 3/4-16UNF |
服务热线:400-1010-998
您现在的位置:
